Привет, на связи PROSISTEMIKA!
В данной статье мы детально изучим схемотехнику выходных транзисторов типа PNP и NPN в контексте промышленных датчиков. Рассмотрим основные различия между этими типами, научимся правильно их идентифицировать и подключать. Это позволит глубже понять, как эти компоненты работают в различных электронных схемах и как их оптимально использовать для достижения желаемых результатов в рамках промышленной автоматизации.
Оглавление
Основные понятия
В процессе эксплуатации или выполнении технического обслуживания промышленного оборудования нередко приходится иметь дело с таким прибором, как датчик. Эти устройства могут быть представлены различными типами: индуктивные, фотоэлектрические (лазерные), емкостные, датчики давления.
Все подобные датчики имеют общую особенность — им всем нужно выводить сигнал. Существует два основных варианта реализации выходной схемотехники:
Релейный выход:
В этой схеме используется реле для создания гальванической развязки между питанием датчика и его выходом. Реле позволяет управлять высоковольтными цепями, обеспечивая безопасность и надежность работы. Принцип работы заключается в том, что при подаче напряжения на вход реле, оно замыкает или размыкает контакты, в зависимости от конфигурации схемы.
Транзисторный выход:
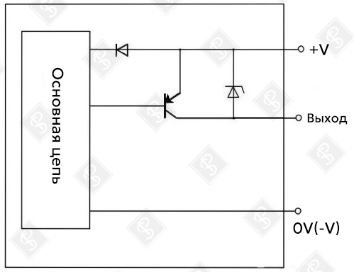
В данном варианте используются PNP или NPN транзисторы для управления выходом датчика. PNP транзисторы подключают положительный провод, а NPN транзисторы — отрицательный провод. Транзисторы работают в режиме ключа, открывая или закрывая цепь в зависимости от входного сигнала. Это позволяет управлять низковольтными нагрузками, такими как светодиоды, электромагнитные клапаны или другие устройства.
Транзисторы делятся на два типа: PNP и NPN. Эти буквы указывают на то, как транзистор работает и какой тип полупроводника в нем используется. PNP означает «положительный-отрицательный-положительный». Это значит, что ток в транзисторе течет от положительного к отрицательному полюсу. NPN означает «отрицательный-положительный-отрицательный». Здесь ток течет в обратном направлении, от отрицательного полюса к положительному.
В контексте датчиков термины PNP и NPN, как правило, относятся к трехпроводным датчикам: положительная линия питания (+V), отрицательная линия питания (0V) и сигнальная линия (ВЫХОД). Еще одно различие между ними заключается в выходном сигнале, а именно его высоким и низким уровнями. PNP выдает высокий уровень (1), тогда как NPN — низкий (0).
Принцип работы
Принцип работы транзистора основан на управлении током базы для регулирования тока между эмиттером и коллектором. Этот процесс можно сравнить с управлением потоком воды в трубе: изменяя напряжение на базе, мы регулируем количество воды, проходящей через трубу. Транзисторы могут работать по-разному в зависимости от того, где расположены их p-n переходы. В целом, можно выделить два основных режима работы:
Отсечка:
- В этом режиме ток между эмиттером и коллектором отсутствует.
- Транзистор полностью закрыт и не пропускает ток.
- Контакт между эмиттером и коллектором разомкнут.
Насыщение:
- В этом режиме ток напрямую проходит между эмиттером и коллектором.
- Транзистор полностью открыт и пропускает ток без препятствий.
- Контакт между эмиттером и коллектором замкнут.
Направление тока в этих транзисторах разное: в PNP ток течет от эмиттера к коллектору при подаче напряжения на эмиттер. В NPN ток течет от коллектора к эмиттеру при подаче напряжения на коллектор.
Это означает, что для PNP транзисторов нужно подавать напряжение с обратной полярностью, а для NPN — с прямой.
Подключение
При подключении важно обратить внимание на полярность проводов: PNP подключается к положительному полюсу источника питания, а NPN — к отрицательному. Обычно используется схема с транзистором PNP, так как она чаще встречается в схемах с отрицательным общим проводом. Выходное напряжение датчика зависит от напряжения питания и обычно составляет от 20 до 28 вольт.
Подключение датчика с транзисторным выходом PNP
Для подключения датчика с транзисторным выходом PNP необходимо подключить коллектор к положительному напряжению питания (+V), эмиттер к нагрузке (например, к реле или светодиоду), а базу к выходу микроконтроллера или другого устройства управления.
Важно учитывать, что при подключении нагрузки необходимо соблюдать полярность. Если нагрузка — светодиод, то анод светодиода подключается к коллектору, а катод — к эмиттеру. Если нагрузка — реле, то необходимо подключить нормально разомкнутые (НО) контакты реле к коллектору и эмиттеру, а нормально замкнутые (НЗ) контакты — к нагрузке.
Подключение датчика с транзисторным выходом NPN
Для подключения датчика с транзисторный выходом NPN необходимо подключить коллектор к нагрузке, эмиттер к отрицательному напряжению питания (-V), а базу к выходу микроконтроллера или другого устройства управления.
Важно соблюдать полярность при подключении нагрузки. Если нагрузка — светодиод, то анод подключается к коллектору, а катод — к эмиттеру. Если нагрузка — реле, то нормально разомкнутые (НО) контакты реле подключаются к коллектору и эмиттеру, а нормально замкнутые (НЗ) — к нагрузке.
Заключение
Важно помнить, что при подключении датчиков с транзисторным выходом необходимо учитывать напряжение питания, ток нагрузки и коэффициент усиления транзистора. Также необходимо обеспечить защиту от статического электричества и правильное заземление.
Выбор датчика также зависит от типа используемого в нем выходного транзистора. Принимайте решение исходя из архитектуры контроллера или другого устройства, к которому датчик будет подключаться. Обычно в технических характеристиках контроллеров и коммутационных устройств указано, какой тип транзисторного выхода они поддерживают.
Свяжитесь с нами, будем рады помочь:
Телефон: +78124438369
Электронная почта: zapros@prosistemika.ru
VK: https://vk.com/prosistemika
Telegram: https://t.me/prosistemika
С уважением,
Команда Prosistemika.ru!









